瑜伽老师的绣感,村长路边养生美容院1000,杏吧有你;春暖花开

MB/MDB-Z

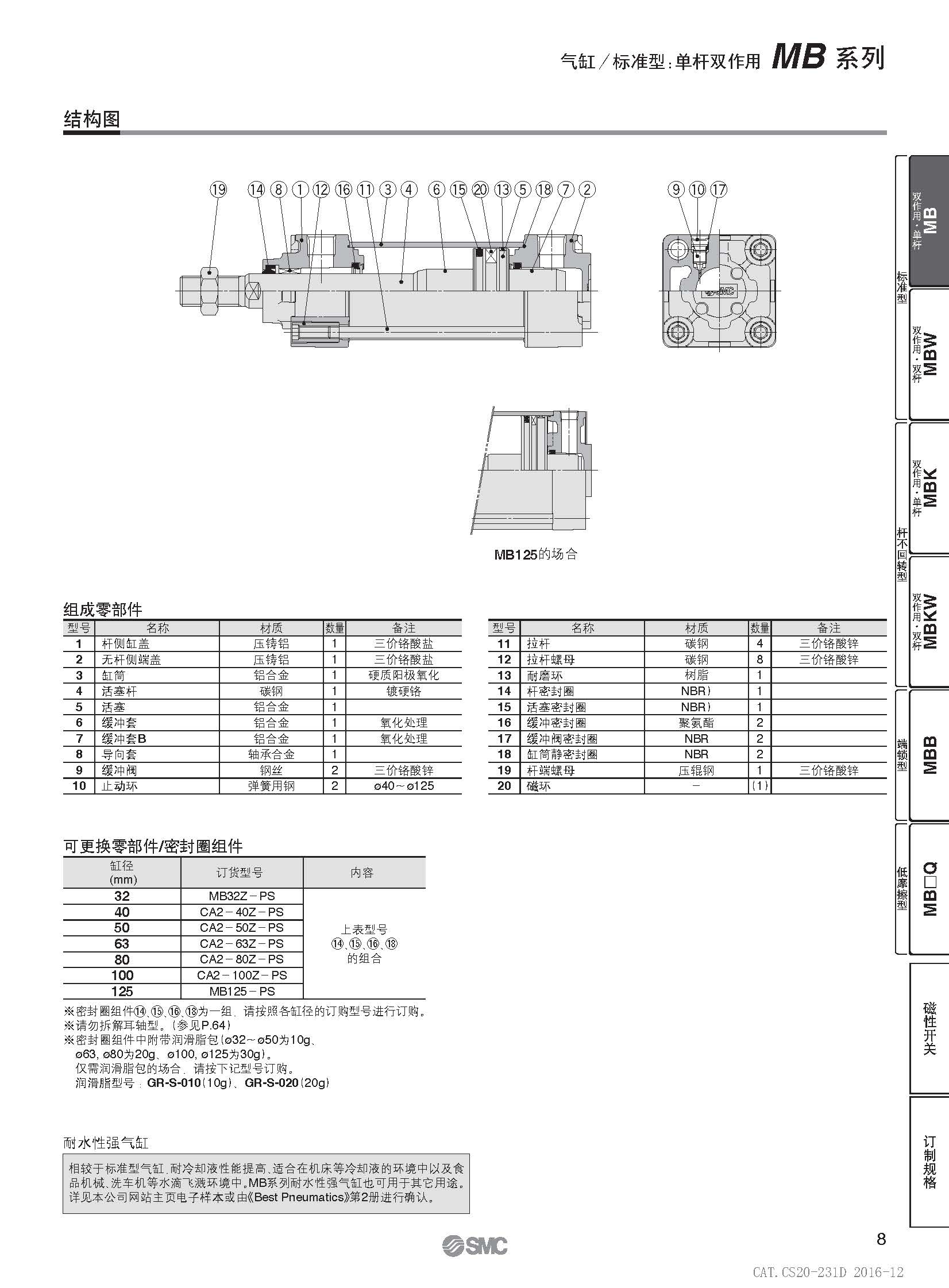
执行元件

我要咨询

产品特点:

· 由于缸盖形状的改变,质量减轻10%

· 设定了杆端安装件、或摆动脚座安装件的型号 (省去了分别订购气缸和支件的时间)

· 带磁性开关 (MDB-Z系列: MDB,MDBW,MDBK,MDBKW,MDBB,MDB□Q)

  • 产品概览
  • 技术参数
  • 尺寸图
  • 相关资料下载












  • 名称
  • 说明
  • 下载

在线客服
主站蜘蛛池模板: 定兴县| 封开县| 义乌市| 田林县| 石河子市| 丽江市| 蕲春县| 亳州市| 腾冲县| 九江县| 介休市| 图木舒克市| 沙河市| 扬州市| 新宁县| 贡觉县| 大连市| 虹口区| 隆安县| 建始县| 资兴市| 中江县| 卓资县| 保定市| 苍梧县| 页游| 陈巴尔虎旗| 衡山县| 昆明市| 黎城县| 东乌珠穆沁旗| 股票| 饶平县| 甘泉县| 武义县| 河南省| 桂林市| 高台县| 隆子县| 会泽县| 天津市|